Sainsmart Lcd Keypad Shield Schematic Sainsmart Arduino Duem

5pcs/lot lcd keypad shield lcd1602 lcd 1602 module display for Lcd keypad shield schematic Lcd keypad shield archivos

SainSmart Keypad Shield 1602 LCD Module V3 Display

SainSmart Keypad Shield 1602 LCD Module V3 Display

Lcd keypad shield schematic Lcd keypad shield arduino sainsmart uno duemilanove 1602 mega2560 Sainsmart arduino duemilanove lcd shield mega2560 keypad uno

Keytech: sainsmart display (320x240 lcd

Lcd keypad shield resourcesLcd keypad shield circuit diagram Arduino lcd shield keypad 16x2 schematic button quickstart guide buttons input example ladder resistor board using pressed a0 which embeddedLcd shield keypad 5pcs lcd1602.

Sainsmart keypad shield 1602 lcd module v3 displayUsing 1602 lcd keypad shield w/ arduino [3 steps] [discontinued] sainsmart lcd keypad shield + sainsmart prototype shielLaboratório de arduino: lcd keypad shield.

SainSmart 1602 LCD Keypad Shield for Arduino 3D Printing, Arduino

Sainsmart keypad shield 1602 lcd module v3 display

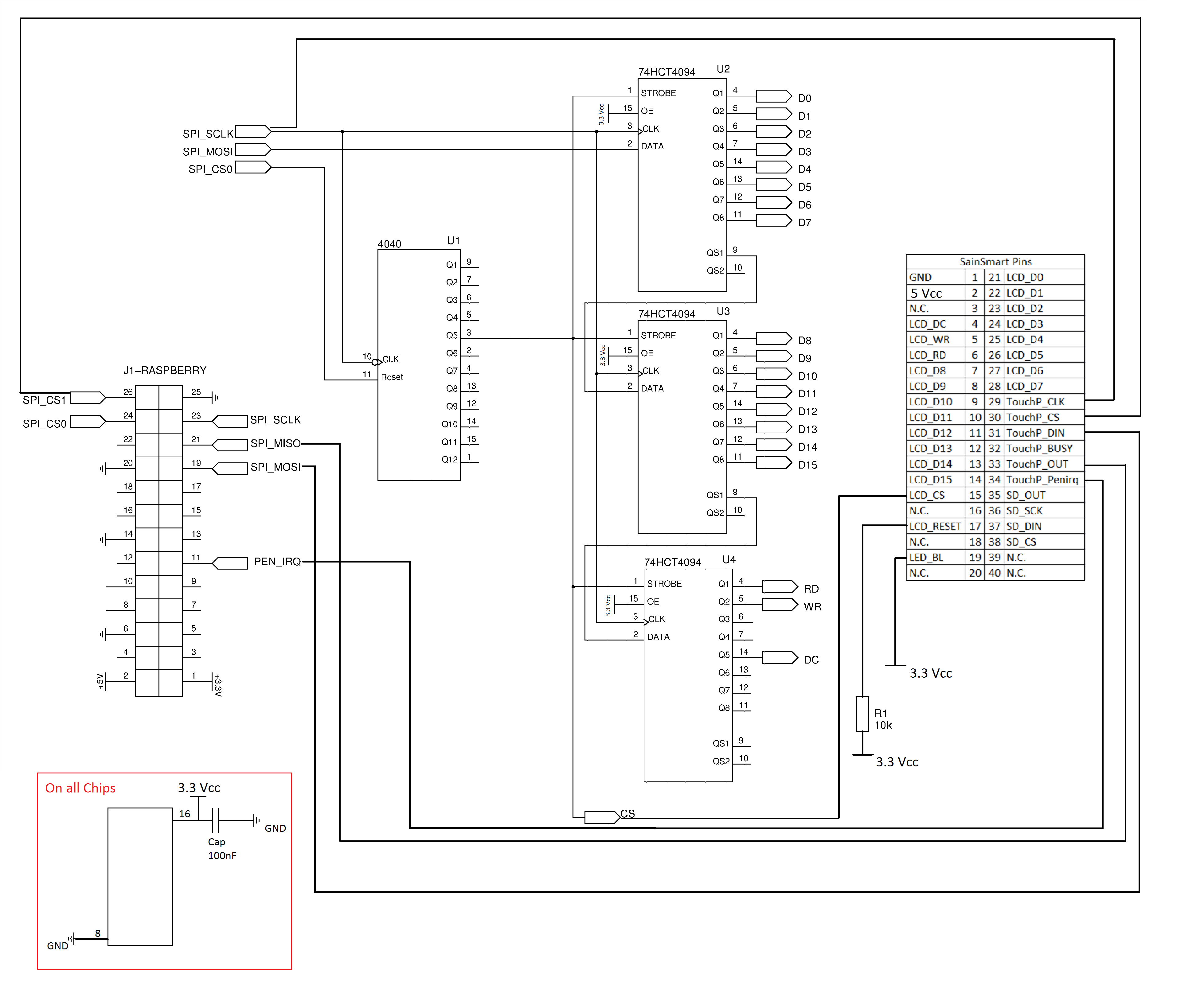
Jeronimus lcdLcd keypad shield schematic Sain smart lcd-keypad v1.0 pinoutTft display lcd sainsmart interface schematic controller connector keytech touch bit driver ti 3v possible power also.

Sainsmart keypad taucht massenweise 1602Lcd keypad shield arduino laboratório library buttons Sainsmart lcd keypad libraryShield lcd schematic adafruit rgb lcds displays jul fabrication published updated guide last print first assets file name.

5pcs/lot LCD Keypad Shield LCD1602 LCD 1602 Module Display For

Sainsmart lcd keypad library

Lcd keypad pinout v1 smart sainShield board lcd 16x2 dimensions eagle schematic pdf Sainsmart keypad shield 1602 lcd module display for arduino mega 2560The jeronimus.net blog: arduino_shield_lcd_keypad.

[discontinued] sainsmart mega2560+1602 lcd keypad shield kit for atmelSainsmart uno r3 improved version +sainsmart keypad shield 1602 lcd Lcd keypad shield circuit diagramWarning to users of some vendors lcd keypad shields.

Lcd Keypad Shield Schematic

Shield-lcd16x2

Lcd sainsmart shield keypad arduino 1602 above click full pictureLcd arduino v3 uno r3 shield mega keypad 2560 1602 sainsmart module 1280 display details Shield keypad 1602 pinout electropeakKeyestudio lcd1602 expansion shield.

Lcd shield keypad sainsmart atmel 1602 mega2560 avr kitSainsmart 1602 lcd keypad shield for arduino 3d printing, arduino [discontinued] sainsmart uno + sainsmart lcd keypad shield + sainsmartLcd sainsmart keypad arduino.

SainSmart 1602 LCD Keypad Shield for Arduino 3D Printing, Arduino

Keypad esquema arduino rpm medir seleccionar

Sainsmart lcd keypad arduinoSainsmart 1602 lcd keypad shield for arduino 3d printing, arduino Arduino keypad tutorials roboindiaSainsmart 1602 lcd keypad shield for arduino duemilanove uno mega2560.

Standalone arduino stopwatchSainsmart lcd keypad arduino shield review Lcd keypad 1602 sainsmart v3 arduino pošalji prijateljuLcd & keypad shield quickstart guide.

Lcd Keypad Shield Schematic

Sainsmart 1602 lcd keypad shield for arduino 3d printing, arduino

Lcd keypad shield arduino mega pcb circuitsSainsmart arduino uno shield improved keypad 1602 r3 module lcd v3 display version above click full picture .

.

KeyTech: Sainsmart display (320x240 LCD - 3.2'') (SSD1289 controller
Sainsmart LCD keypad Arduino shield review - YouTube

Sainsmart LCD keypad Arduino shield review - YouTube

Warning to users of some vendors LCD keypad shields - Displays

Warning to users of some vendors LCD keypad shields - Displays

Lcd Keypad Shield Arduino Mega Pcb Circuits | My XXX Hot Girl

Lcd Keypad Shield Arduino Mega Pcb Circuits | My XXX Hot Girl

Arduino - LCD Keypad Shield - Robo India || Tutorials || Learn Arduino

Arduino - LCD Keypad Shield - Robo India || Tutorials || Learn Arduino

SainSmart Keypad Shield 1602 LCD Module V3 Display

SainSmart Keypad Shield 1602 LCD Module V3 Display

SainSmart Keypad Shield 1602 LCD Module V3 Display

SainSmart Keypad Shield 1602 LCD Module V3 Display